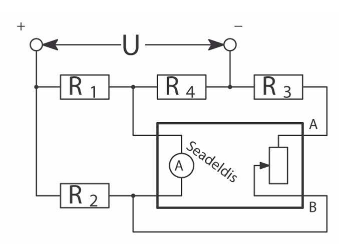
VOOLURING joonis1